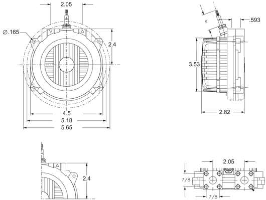
FEATURES
- Maintenance-Free Operation
- Cooler Outboard Bearing Design
- Environmentally Friendly Oil-Free Technology
- Extremely Quiet Operation
- CE Compliant Standard Brushless DC Motors
- Rugged Die Cast Aluminum Construction
Unit of Measure




