These combination pumps produce simultaneous pressure of +0.6 bar and vacuum of -0.6 bar. Designed for continuous operation, ease of maintenance, long vane life, maximum efficiency and low noise level.
Standard equipment includes pressure and vacuum regulator valves, 5 micron paper cartridge inlet and exhaust filters, blast air aftercooler, flange mounted motor, lifting hooks, and BSP-NPT adapters.
Standard equipment includes pressure and vacuum regulator valves, 5 micron paper cartridge inlet and exhaust filters, blast air aftercooler, flange mounted motor, lifting hooks, and BSP-NPT adapters.
Unit of Measure
Specifications
Motor Rating at 50 Hz |
N/A 3.0 kW4.0 kW |
Motor Rating at 60 Hz |
N/A 5.0 hp7.5 hp |
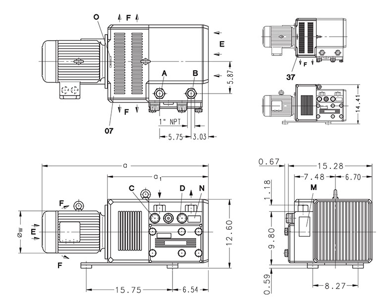
Dimension a at 50 Hz and 3.0 kW Motor Rating |
N/A 30.35 in |
Dimension a at 50 Hz and 4.0 kW Motor Rating |
N/A 31.02 in |
Dimension a at 60 Hz and 3.0 kW Motor Rating |
N/A 32.59 in |
Dimension a at 60 Hz and 4.0 kW Motor Rating |
N/A 34.73 in |
Dimension a1 at 50 Hz and 3.0 kW Motor Rating |
N/A 18.43 in |
Dimension a1 at 50 Hz and 4.0 kW Motor Rating |
N/A 18.43 in |
Dimension a1 at 60 Hz and 3.0 kW Motor Rating |
N/A 18.66 in |
Dimension a1 at 60 Hz and 4.0 kW Motor Rating |
N/A 19.17 in |
Diameter w at 50 Hz and 3.0 kW Motor Rating |
N/A 7.72 in |
Diameter w at 50 Hz and 4.0 kW Motor Rating |
N/A 8.66 in |
Diameter w at 60 Hz and 3.0 kW Motor Rating |
N/A 8.49 in |
Diameter w at 60 Hz and 4.0 kW Motor Rating |
N/A 10.34 in |
Non Return Valve (ZRK) |
N/A 25 (03) |
Vacuum Tight Dust Separator (ZFP) |
N/A 216 (07) |
Motor Version (3 ~) Voltage at 50 Hz |
N/A 230 V400 V |
Motor Version (3 ~) Tolerance at 50 Hz |
N/A ±10 % |
Motor Version (3 ~) Voltage at 60 Hz |
N/A 208 to 230 V460 V |
Motor Version (3 ~) Tolerance at 60 Hz |
N/A ±10 % |
Full Load Amperage at 50 Hz and 3.0 kW Motor Rating |
N/A 6.6 A11.5 A |
Full Load Amperage at 50 Hz and 4.0 kW Motor Rating |
N/A 8.8 A15.2 A |
Full Load Amperage at 60 Hz and 4.0 kW Motor Rating |
N/A 10 A21.5 A |
Speed at 50 Hz |
N/A 1450 rpm |
Speed at 60 Hz |
N/A 1740 rpm |
Average Noise Level at 50 Hz |
N/A 75 dBA |
Average Noise Level at 60 Hz |
N/A 77 dBA |
Weight at 50 Hz and 3.0 kW Motor Rating |
N/A 209 lb |
Weight at 50 Hz and 4.0 kW Motor Rating |
N/A 223 lb |
Weight at 60 Hz and 3.0 kW Motor Rating |
N/A 235 lb |
Weight at 60 Hz and 4.0 kW Motor Rating |
N/A 274 lb |
Ultimate Vacuum (Gauge) (Suction Air) |
N/A 0 inHg12.2 inHg15.2 inHg18.1 inHg |
Excess Pressure (Compressed Air) |
N/A 0 psi5.8 psi7.3 psi8.7 psi10.2 psi |
Air Flow (Suction Air) at 50 Hz, 0 inHg Ultimate Vacuum and 0 psi Excess Pressure |
N/A 29.7 ft³/min |
Air Flow (Suction Air) at 50 Hz, 0 inHg Ultimate Vacuum and 5.8 psi Excess Pressure |
N/A 28.7 ft³/min |
Air Flow (Suction Air) at 50 Hz, 12.2 inHg Ultimate Vacuum and 5.8 psi Excess Pressure |
N/A 23.3 ft³/min |
Air Flow (Suction Air) at 50 Hz, 15.2 inHg Ultimate Vacuum and 5.8 psi Excess Pressure |
N/A 21.4 ft³/min |
Air Flow (Suction Air) at 50 Hz, 18.1 inHg Ultimate Vacuum and 5.8 psi Excess Pressure |
N/A 18.8 ft³/min |
Air Flow (Suction Air) at 50 Hz, 0 inHg Ultimate Vacuum and 7.3 psi Excess Pressure |
N/A 28.3 ft³/min |
Air Flow (Suction Air) at 50 Hz, 12.2 inHg Ultimate Vacuum and 7.3 psi Excess Pressure |
N/A 22.8 ft³/min |
Air Flow (Suction Air) at 50 Hz, 15.2 inHg Ultimate Vacuum and 7.3 psi Excess Pressure |
N/A 20.8 ft³/min |
Air Flow (Suction Air) at 50 Hz, 18.1 inHg Ultimate Vacuum and 7.3 psi Excess Pressure |
N/A 18.3 ft³/min |
Air Flow (Suction Air) at 50 Hz, 0 inHg Ultimate Vacuum and 8.7 psi Excess Pressure |
N/A 27.8 ft³/min |
Air Flow (Suction Air) at 50 Hz, 12.2 inHg Ultimate Vacuum and 8.7 psi Excess Pressure |
N/A 22.2 ft³/min |
Air Flow (Suction Air) at 50 Hz, 15.2 inHg Ultimate Vacuum and 8.7 psi Excess Pressure |
N/A 20.3 ft³/min |
Air Flow (Suction Air) at 50 Hz, 18.1 inHg Ultimate Vacuum and 8.7 psi Excess Pressure |
N/A 17.7 ft³/min |
Air Flow (Suction Air) at 50 Hz, 0 inHg Ultimate Vacuum and 10.2 psi Excess Pressure |
N/A 27.3 ft³/min |
Air Flow (Suction Air) at 50 Hz, 12.2 inHg Ultimate Vacuum and 10.2 psi Excess Pressure |
N/A 21.8 ft³/min |
Air Flow (Suction Air) at 50 Hz, 15.2 inHg Ultimate Vacuum and 10.2 psi Excess Pressure |
N/A 19.7 ft³/min |
Air Flow (Suction Air) at 50 Hz, 18.1 inHg Ultimate Vacuum and 10.2 psi Excess Pressure |
N/A 17.1 ft³/min |
Air Flow (Compressed Air) at 50 Hz, 0 inHg Ultimate Vacuum and 0 psi Excess Pressure |
N/A 43.0 ft³/min |
Air Flow (Compressed Air) at 50 Hz, 0 inHg Ultimate Vacuum and 5.8 psi Excess Pressure |
N/A 40.7 ft³/min |
Air Flow (Compressed Air) at 50 Hz, 12.2 inHg Ultimate Vacuum and 5.8 psi Excess Pressure |
N/A 34.4 ft³/min |
Air Flow (Compressed Air) at 50 Hz, 15.2 inHg Ultimate Vacuum and 5.8 psi Excess Pressure |
N/A 32.7 ft³/min |
Air Flow (Compressed Air) at 50 Hz, 18.1 inHg Ultimate Vacuum and 5.8 psi Excess Pressure |
N/A 31.2 ft³/min |
Air Flow (Compressed Air) at 50 Hz, 0 inHg Ultimate Vacuum and 7.3 psi Excess Pressure |
N/A 40.1 ft³/min |
Air Flow (Compressed Air) at 50 Hz, 12.2 inHg Ultimate Vacuum and 7.3 psi Excess Pressure |
N/A 33.7 ft³/min |
Air Flow (Compressed Air) at 50 Hz, 15.2 inHg Ultimate Vacuum and 7.3 psi Excess Pressure |
N/A 32.1 ft³/min |
Air Flow (Compressed Air) at 50 Hz, 18.1 inHg Ultimate Vacuum and 7.3 psi Excess Pressure |
N/A 30.6 ft³/min |
Air Flow (Compressed Air) at 50 Hz, 0 inHg Ultimate Vacuum and 8.7 psi Excess Pressure |
N/A 39.6 ft³/min |
Air Flow (Compressed Air) at 50 Hz, 12.2 inHg Ultimate Vacuum and 8.7 psi Excess Pressure |
N/A 33.2 ft³/min |
Air Flow (Compressed Air) at 50 Hz, 15.2 inHg Ultimate Vacuum and 8.7 psi Excess Pressure |
N/A 31.6 ft³/min |
Air Flow (Compressed Air) at 50 Hz, 18.1 inHg Ultimate Vacuum and 8.7 psi Excess Pressure |
N/A 30.0 ft³/min |
Air Flow (Compressed Air) at 50 Hz, 0 inHg Ultimate Vacuum and 10.2 psi Excess Pressure |
N/A 39.1 ft³/min |
Air Flow (Compressed Air) at 50 Hz, 12.2 inHg Ultimate Vacuum and 10.2 psi Excess Pressure |
N/A 32.6 ft³/min |
Air Flow (Compressed Air) at 50 Hz, 15.2 inHg Ultimate Vacuum and 10.2 psi Excess Pressure |
N/A 31.0 ft³/min |
Air Flow (Compressed Air) at 50 Hz, 18.1 inHg Ultimate Vacuum and 10.2 psi Excess Pressure |
N/A 29.4 ft³/min |
Air Flow (Suction Air) at 60 Hz, 0 inHg Ultimate Vacuum and 0 psi Excess Pressure |
N/A 35.3 ft³/min |
Air Flow (Suction Air) at 60 Hz, 0 inHg Ultimate Vacuum and 5.8 psi Excess Pressure |
N/A 33.8 ft³/min |
Air Flow (Suction Air) at 60 Hz, 12.2 inHg Ultimate Vacuum and 5.8 psi Excess Pressure |
N/A 27.5 ft³/min |
Air Flow (Suction Air) at 60 Hz, 15.2 inHg Ultimate Vacuum and 5.8 psi Excess Pressure |
N/A 25.2 ft³/min |
Air Flow (Suction Air) at 60 Hz, 18.1 inHg Ultimate Vacuum and 5.8 psi Excess Pressure |
N/A 22.2 ft³/min |
Air Flow (Suction Air) at 60 Hz, 0 inHg Ultimate Vacuum and 7.3 psi Excess Pressure |
N/A 33.3 ft³/min |
Air Flow (Suction Air) at 60 Hz, 12.2 inHg Ultimate Vacuum and 7.3 psi Excess Pressure |
N/A 27.0 ft³/min |
Air Flow (Suction Air) at 60 Hz, 15.2 inHg Ultimate Vacuum and 7.3 psi Excess Pressure |
N/A 24.6 ft³/min |
Air Flow (Suction Air) at 60 Hz, 0 inHg Ultimate Vacuum and 8.7 psi Excess Pressure |
N/A 32.8 ft³/min |
Air Flow (Suction Air) at 60 Hz, 12.2 inHg Ultimate Vacuum and 8.7 psi Excess Pressure |
N/A 26.3 ft³/min |
Air Flow (Suction Air) at 60 Hz, 15.2 inHg Ultimate Vacuum and 8.7 psi Excess Pressure |
N/A 24.0 ft³/min |
Air Flow (Suction Air) at 60 Hz, 18.1 inHg Ultimate Vacuum and 7.3 psi Excess Pressure |
N/A 21.6 ft³/min |
Air Flow (Suction Air) at 60 Hz, 18.1 inHg Ultimate Vacuum and 8.7 psi Excess Pressure |
N/A 20.8 ft³/min |
Air Flow (Suction Air) at 60 Hz, 0 inHg Ultimate Vacuum and 10.2 psi Excess Pressure |
N/A 32.1 ft³/min |
Air Flow (Suction Air) at 60 Hz, 12.2 inHg Ultimate Vacuum and 10.2 psi Excess Pressure |
N/A 25.7 ft³/min |
Air Flow (Suction Air) at 60 Hz, 15.2 inHg Ultimate Vacuum and 10.2 psi Excess Pressure |
N/A 23.2 ft³/min |
Air Flow (Suction Air) at 60 Hz, 18.1 inHg Ultimate Vacuum and 10.2 psi Excess Pressure |
N/A 20.1 ft³/min |
Air Flow (Compressed Air) at 60 Hz, 0 inHg Ultimate Vacuum and 0 psi Excess Pressure |
N/A 50.7 ft³/min |
Air Flow (Compressed Air) at 60 Hz, 0 inHg Ultimate Vacuum and 5.8 psi Excess Pressure |
N/A 48.1 ft³/min |
Air Flow (Compressed Air) at 60 Hz, 12.2 inHg Ultimate Vacuum and 5.8 psi Excess Pressure |
N/A 40.6 ft³/min |
Air Flow (Compressed Air) at 60 Hz, 15.2 inHg Ultimate Vacuum and 5.8 psi Excess Pressure |
N/A 38.6 ft³/min |
Air Flow (Compressed Air) at 60 Hz, 18.1 inHg Ultimate Vacuum and 5.8 psi Excess Pressure |
N/A 36.8 ft³/min |
Air Flow (Compressed Air) at 60 Hz, 0 inHg Ultimate Vacuum and 7.3 psi Excess Pressure |
N/A 42.4 ft³/min |
Air Flow (Compressed Air) at 60 Hz, 12.2 inHg Ultimate Vacuum and 7.3 psi Excess Pressure |
N/A 39.8 ft³/min |
Air Flow (Compressed Air) at 60 Hz, 15.2 inHg Ultimate Vacuum and 7.3 psi Excess Pressure |
N/A 37.9 ft³/min |
Air Flow (Compressed Air) at 60 Hz, 18.1 inHg Ultimate Vacuum and 7.3 psi Excess Pressure |
N/A 36.1 ft³/min |
Air Flow (Compressed Air) at 60 Hz, 0 inHg Ultimate Vacuum and 8.7 psi Excess Pressure |
N/A 46.7 ft³/min |
Air Flow (Compressed Air) at 60 Hz, 12.2 inHg Ultimate Vacuum and 8.7 psi Excess Pressure |
N/A 39.2 ft³/min |
Air Flow (Compressed Air) at 60 Hz, 15.2 inHg Ultimate Vacuum and 8.7 psi Excess Pressure |
N/A 37.3 ft³/min |
Air Flow (Compressed Air) at 60 Hz, 18.1 inHg Ultimate Vacuum and 8.7 psi Excess Pressure |
N/A 35.4 ft³/min |
Air Flow (Compressed Air) at 60 Hz, 0 inHg Ultimate Vacuum and 10.2 psi Excess Pressure |
N/A 46.2 ft³/min |
Air Flow (Compressed Air) at 60 Hz, 12.2 inHg Ultimate Vacuum and 10.2 psi Excess Pressure |
N/A 38.5 ft³/min |
Air Flow (Compressed Air) at 60 Hz, 15.2 inHg Ultimate Vacuum and 10.2 psi Excess Pressure |
N/A 36.6 ft³/min |
Air Flow (Compressed Air) at 60 Hz, 18.1 inHg Ultimate Vacuum and 10.2 psi Excess Pressure |
N/A 34.7 ft³/min |
Note
|
N/A
Higher pressures and vacuum upon request! |




