Stainless steel process filters for bio-burden reduction in compressed air and gas.
The nano P1-Series range of sterile depth process filters are fabricated from polished 304 or 316 stainless steel for critical compressed air and gas applications in the high tech manufacturing, food processing, and beverage industries.
This range encompasses ten models with connections from 1/4" to 3" and rated flows from 50 to 1150 scfm.
Specifically designed for particulate and bacteria retention in sterile environments, these filters are ideally suited for process applications such as food and beverage facilities with washdown requirements.
The nano P1-Series range of sterile depth process filters are fabricated from polished 304 or 316 stainless steel for critical compressed air and gas applications in the high tech manufacturing, food processing, and beverage industries.
This range encompasses ten models with connections from 1/4" to 3" and rated flows from 50 to 1150 scfm.
Specifically designed for particulate and bacteria retention in sterile environments, these filters are ideally suited for process applications such as food and beverage facilities with washdown requirements.
Unit of Measure
Financing
|
Specifications
|
Technical Specification
|
Performance Specifications
|
Materials of Construction
|
Applications
|
Additional Information
|
Note
Technical Specification
Maximum Rated Flow |
N/A 289 Nm³/h170 scfm |
Inlet and Outlet Connection Size |
N/A 1 inNational Pipe Thread Fuel (NPTF) |
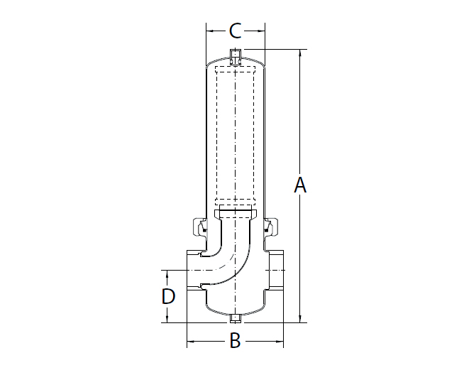
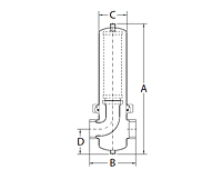
Dimension A |
N/A 11.397 in |
Dimension B |
N/A 4.921 in |
Dimension C |
N/A 3.346 in |
Dimension D |
N/A 2.774 in |
Replacement Element Kit |
N/A E 105 SD |
Performance Specifications
Particle Removal at 100% Pleated Depth PP |
N/A 0.3 Micron |
Maximum Continuous Operating Temperature |
N/A 120 ºF |
Maximum Steam Sterilization Temperature (At 30 Psia for 20 Minutes) |
N/A 257 ºF |
Maximum Design Operating Pressure |
N/A 232 psig |
Materials of Construction
Standard Body Housing Materials |
N/A 1.4301 Quality 304 Stainless |
Optional Body Housing Materials |
N/A 1.4404 Quality 316L Stainless |
Standard Polishing Housing Materials |
N/A Passivated and Polished to Grade Ra <1.6 µm |
Optional Polishing Housing Materials |
N/A Passivated and Polished to Grade Ra <1.6 µm |
Standard Seals Housing Materials |
N/A Aseptic Ethylene Propylene Diene Monomer (EPDM) |
Optional Seals Housing Materials |
N/A Consult Factory |
Standard Inlet and Outlet Connections Materials |
N/A National Pipe Thread (NPT) (Female) |
Optional Inlet and Outlet Connections Materials |
N/A Tri-Clamp Sanitary |
Standard Drain and Vent Connections Materials |
N/A 1/4 in. British Standard Pipe Parallel (BSPP) |
Optional Drain and Vent Connections Materials |
N/A 1/4 in. British Standard Pipe Parallel (BSPP) |
Standard Element to Housing Connections Materials |
N/A Dual O-Ring Positive Click Lock Seal |
Optional Element to Housing Connections Materials |
N/A Dual O-Ring Positive Click Lock Seal |
Standard Media Element Materials |
N/A Hydrophobic Graded Porosity Non-Woven Depth Pleated Polypropylene |
Optional Media Element Materials |
N/A Hydrophobic Graded Porosity Non-Woven Depth Pleated Polypropylene |
Standard Media Support Element Materials |
N/A Polypropylene |
Optional Media Support Element Materials |
N/A Polypropylene |
Standard Endcaps Element Materials |
N/A Polypropylene |
Optional Endcaps Element Materials |
N/A Polypropylene |
Standard Seals Element Materials |
N/A Dual Silicone O-Rings |
Optional Seals Element Materials |
N/A Dual Silicone O-Rings |
Additional Information
|
N/A
The non-woven depth pleated polypropylene elements incorporate a positive double o-ring clicklock seal and are 100% integrity tested prior to shipment for reliable performance. |




