Airtech® oil-flooded, multi-vane vacuum pumps are single stage, air cooled and direct driven. This simple design ensures the reliability and the durability that is required in the vacuum industry.
Unit of Measure
Specifications
Motor Voltage |
N/A 208 to 230 V460 V |
Power Supply Frequency |
N/A 50 Hz60 Hz |
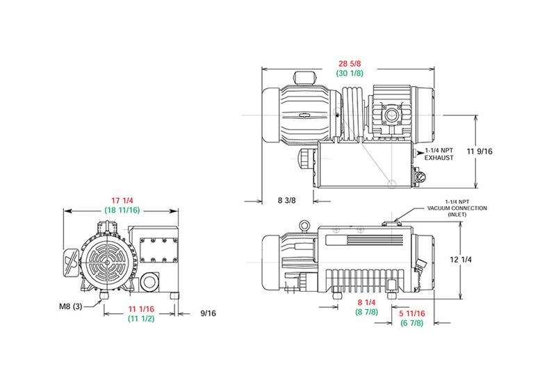
Inlet Size |
N/A 1-1/4 in. National Pipe Thread (NPT) |
Outlet Size |
N/A 1-1/4 in NPT |
Free Air Displacement at 60 Hz |
N/A 70 ft³/min |
Motor Capacity at 60 Hz |
N/A 5.0 hp |
Sound Level at 60 Hz |
N/A 70 dBA |
End Vacuum - L |
N/A 0.5 Torr |
| Weight1 | N/A 185 lb |
Oil Quantity |
N/A 2 qt |
Speed at 60 Hz |
N/A 1725 rpm |
- 1 with motor




