Unit of Measure
Specifications
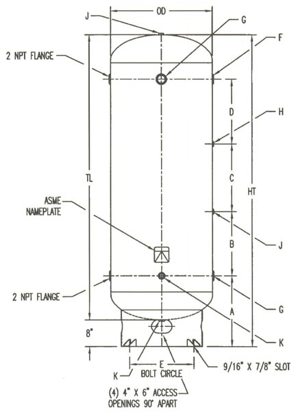
Nominal Capacity |
N/A 240 gal |
Dimension A |
N/A 21.0 in |
Dimension B |
N/A 19.00 in |
Dimension C |
N/A 20 in |
Dimension D |
N/A 19.00 in |
Dimension E |
N/A 27.00 in |
Outside Diameter (O.D) |
N/A 30.00 in |
HT |
N/A 92.00 in |
Maximum Allowable Working Pressure (MAWP) |
N/A 200 psi |
T.W. |
N/A 670 |
TL |
N/A 84.00 in |
N.P.T. Opening (F) |
N/A 1-1/2 in |
N.P.T. Opening (G) |
N/A 2 in |
N.P.T. Opening (H) |
N/A 1/4 in |
N.P.T. Opening (J) |
N/A 1/2 in |
N.P.T. Opening (K) |
N/A 1 in |
Cross Reference # |
N/A A10053 |




