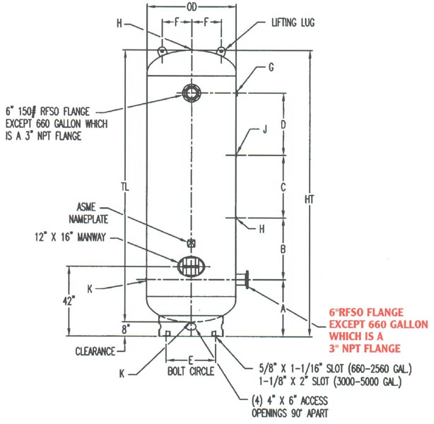
Unit of Measure
Specifications
Nominal Capacity |
N/A 3800 gal |
Dimension A |
N/A 38 in |
Dimension B |
N/A 56.00 in |
Dimension C |
N/A 56.00 in |
Dimension D |
N/A 56.00 in |
Dimension E |
N/A 59.00 in |
Outside Diameter (O.D) |
N/A 72.00 in |
HT |
N/A 236.00 in |
Maximum Allowable Working Pressure (MAWP) |
N/A 165 psi |
T.W. |
N/A 6800 |
TL |
N/A 228.00 in |
N.P.T. Opening (G) |
N/A 3 in |
N.P.T. Opening (H) |
N/A 1 in |
N.P.T. Opening (J) |
N/A 1/4 in |
N.P.T. Opening (K) |
N/A 1-1/4 in |
Dimension F |
N/A 24.00 in |




